Central Oklahoma Classic Chevy Club

1957 Passenger Assembly Manual

Section 0 - Index

General Index                                                                                               Sheet 1.00

Section 1  - Body Instruction

Body Instruction Index                                                                                   Sheet 1.00

Dash and Toe Panel Hole Location                                                            Sheet 2.00

Dash and Toe Panel Hole Location                                                            Sheet 3.00

Dash Panel Mat                                                                                            Sheet 4.00

Instrument Panel Accessory Hole Cover                                                    Sheet 5.00

Instrument Panel Name Plate                                                                      Sheet 6.00

Ash Tray                                                                                                         Sheet 7.00

Instrument Panel Trim Plates                                                                       Sheet 8.00

Instrument Cluster Mounting                                                                        Sheet 9.00

Steering Gear Jacket Cover                                                                       Sheet 10.00

Windshield Wiper                                                                                         Sheet 11.00

Dash Panel Heater & Valve Hole Cover                                                    Sheet 12.00

Air Ventilator                                                                                                  Sheet 13.00

Rear Emblem (All)                                                                                        Sheet 14.00

Body Moulding                                                                                              Sheet 14.01

Rear Shock Absorber Hole Cover(Sedan Delvry & Station Wagon)      Sheet 15.00

Access Hole Masking & Floor Mat Install (9 Pass Station Wagon)        Sheet 16.00

No. 1 Body Mounting                                                                                    Sheet 17.00

No. 2 Inner Body Mounting and Gauge Hole                                              Sheet 18.00

No. 2 Outer Body Mounting                                                                          Sheet 19.00

No. 3 Inner Body Mounting                                                                           Sheet 20.00

No. 3 Outer body Mounting                                                                          Sheet 21.00

No. 3-A Body Mounting (Sport Coupe)                                                      Sheet 22.00

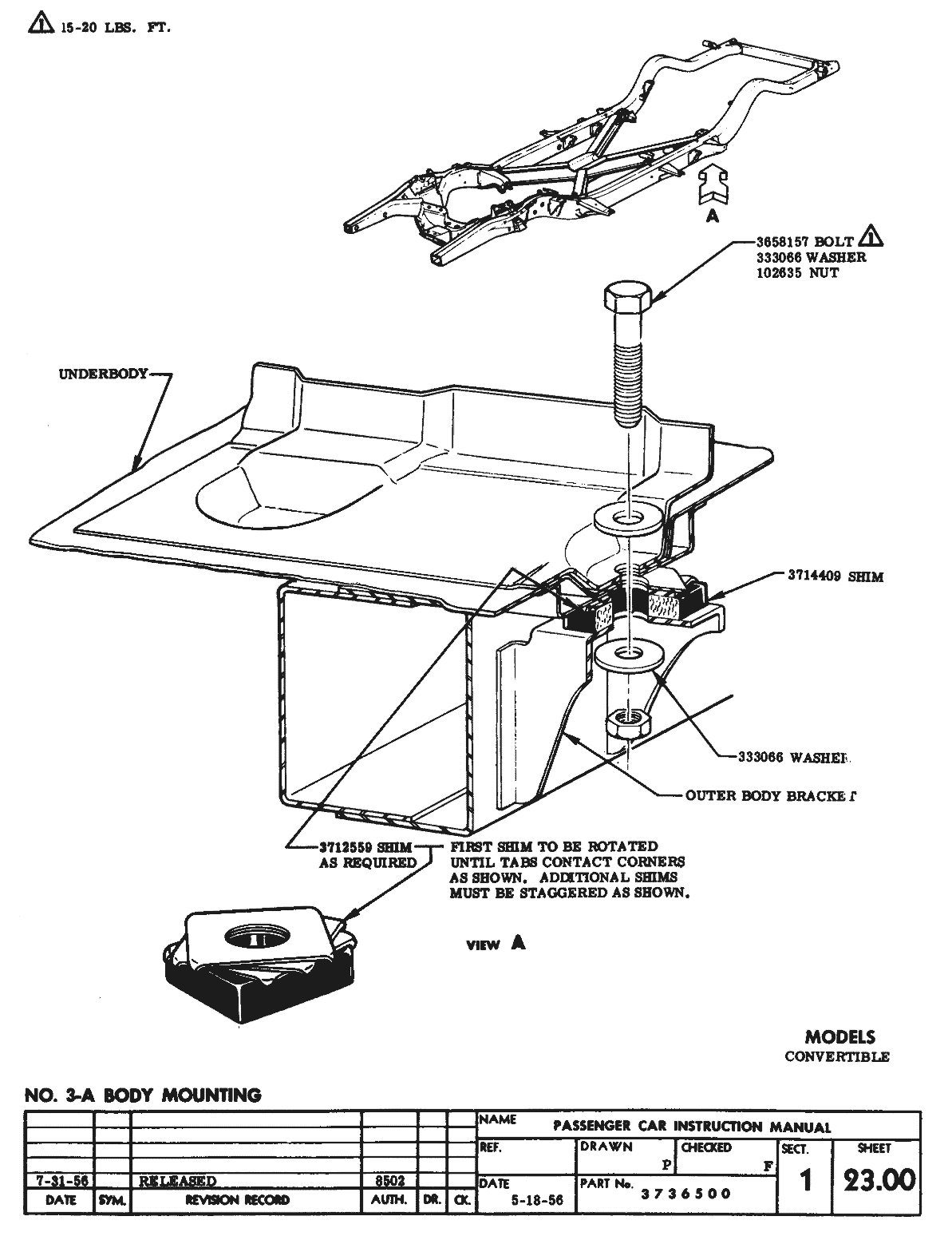
No. 3-A Body Mounting (Convertible)                                                         Sheet 23.00

No. 4 Body Mounting                                                                                    Sheet 24.00

No. 5 Body Mounting                                                                                    Sheet 25.00

No. 5A Body Mounting (Convertible & 9 Pass. Station Wagon)              Sheet 26.00

No. 6 Body Mounting                                                                                    Sheet 27.00

Body Shim (Convertible)                                                                              Sheet 28.00

Body Shim (Sedan Deliv & Station Wag, Except Ckd Bloomfiled)        Sheet 29.00

Body Mounting Checking Dimensions                                                       Sheet 30.00

Section 2 – Frame Instruction

Frame Instruction (all except 2434 and Ckd Bloomfield)                         Sheet  1.00A

Frame Instruction (Model 2434)                                                                  Sheet 1.00B

Frame Instruction (Ckd Bloomfield)                                                            Sheet 1.00C

Clutch Shaft Frame Bracket                                                                        Sheet 2.00

Idler Lever Support                                                                                       Sheet 3.00

No. 3 outer Body Bracket (4 door Sport Sedan)                                       Sheet 4.00

No. 3-A Body Bracket (Sport Coupe)                                                         Sheet 5.00

Front Cross Member                                                                                    Sheet 6.00

Cross Member Brace and Radiator Support                                            Sheet 7.00

Brake Hose Bracket, & Rear Cross Member                                            Sheet 8.00

Engine Rear Mounting Frame Bracket                                                       Sheet 9.00

No. 1 & No. 2 Body Bracket                                                                        Sheet 10.00

No. 3 Inner & Outer Body Bracket                                                               Sheet 11.00

No. 4 & No. 5 Inner Body Bracket                                                               Sheet 12.00

No. 5 & No. 5A Body Bracket (9 Passenger Station Wagon)                 Sheet 13.00

Rear Spring Hanger                                                                                     Sheet 14.00

Brake Hose Bracket & Brake Cable Guide                                               Sheet 15.00

Muffler Tail Pipe Bracket                                                                              Sheet 16.00

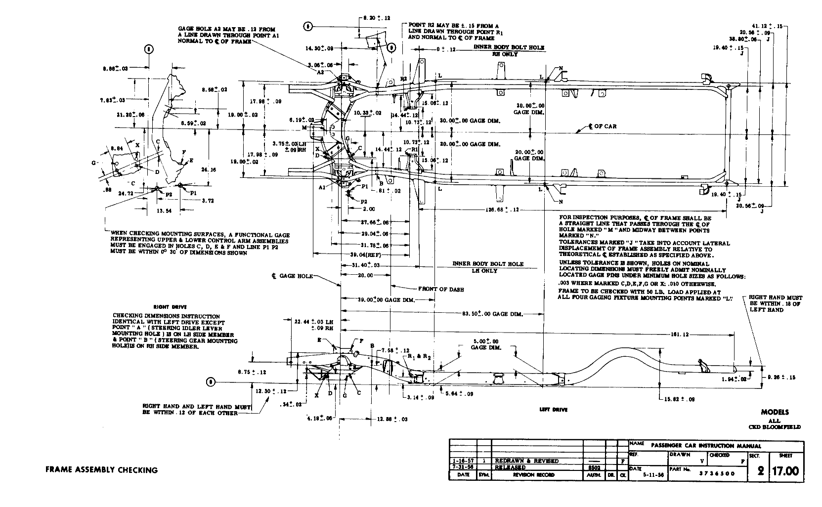
Frame Assembly Checking                                                                         Sheet 17.00

Section 3 – Front End Suspension Instruction

Front End Suspension Index                                                                        Sheet 1.00

Upper and Lower Control Arm                                                                    Sheet 2.00

Front Suspension Geometry                                                                        Sheet 3.00

Front Spring Color                                                                                        Sheet 4.00

Section 4 – Rear End Suspension Instruction

Rear End Suspension Index                                                                        Sheet 1.00

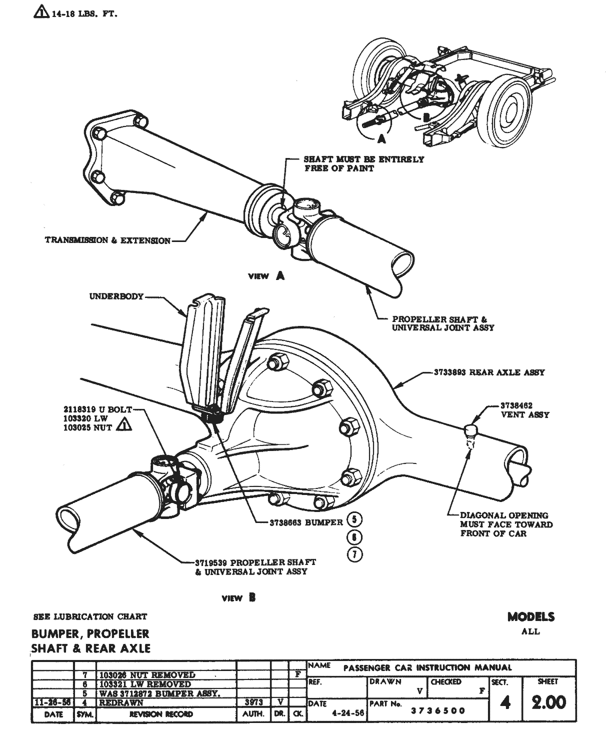
Propeller Shaft Bumper & Rear Axle                                                          Sheet 2.00

Shock Absorber                                                                                            Sheet 3.00

Axle Bumper and Rear Spring                                                                    Sheet 4.00

Section 5 – Brake Pedal & Main Cylinder Instruction

Brake Index                                                                                                    Sheet 1.00

Front Brake Pipes (Right Drive)                                                                  Sheet 2.00

Rear Brake Pipes                                                                                         Sheet 3.00

Parking Brake                                                                                               Sheet 4.00

Section 6 – Engine Instruction

Engine Index                                                                                                  Sheet 1.00

Engine Specs                                                                                                 Sheet 1.0a

Engine Specs                                                                                                 Sheet 1.0b

Fan Blade and Belt                                                                                       Sheet 2.00

Radiator Hose & Engine Decalcomania                                                    Sheet 3.00

Air Cleaner, Carburetor & Choke Pipe                                                      Sheet 4.00

Starting Motor & Crankcase Ventilator                                                      Sheet 5.00

Engine Front Mounting & Generator                                                           Sheet 6.00

Engine Rear Mounting                                                                                  Sheet 7.00

Clutch Release Bearing                                                                                Sheet 8.00

Clutch Linkage (Left Drive)                                                                          Sheet 9.00

Clutch Linkage (Right Drive)                                                                        Sheet 10.00

Accelerator Control (Left Drive)                                                                  Sheet 11.00

Accelerator Control (Right Drive)                                                                Sheet 12.00

Section 7 – Transmission & Controls Instruction

Transmission & Controls Index                                                                    Sheet 1.00

Gearshift Control (Left Drive)                                                                       Sheet 2.00

Gearshift Control (Right Drive)                                                                    Sheet 3.00

Transmission Control (Left Drive)                                                               Sheet 4.00

Transmission Control (Right Drive)                                                             Sheet 5.00

Transmission Control Linkage & Mounting (Left Drive)                            Sheet 6.00

Gearshift Linkage & Mounting (Right Drive)                                              Sheet 7.00

Gearshift Linkage (Right Drive)                                                                   Sheet 8.00

Gearshift Lever Position                                                                              Sheet 9.00

Section 8 – Fuel and Exhaust Instruction

Fuel Tank & Exhaust (Except Sedan Delivery & Station Wagon)           Sheet 1.00

Fuel Tank & Exhaust (Sedan Delivery & Station Wagon)                        Sheet 2.00

Gasoline Tank (All)                                                                                       Sheet 3.00

Clamps, Straps & Plugs                                                                               Sheet 4.00

Exhaust System (All)                                                                                     Sheet 5.00

Exhaust System (Convertible)                                                                     Sheet 6.00

Gasoline Filler Neck Extension, Housing & Door                                     Sheet 7.00

Section 9 – Steering Mechanism Instruction

Steering Mechanism Index                                                                          Sheet 1.00

Steering Linkage                                                                                          Sheet 2.00

Steering Gear                                                                                                Sheet 3.00

Steering Wheel                                                                                             Sheet 4.00

Instrument Panel Brace Assy.                                                                     Sheet 5.00

Dash Brace & Gear Jacket Braces                                                            Sheet 5.01

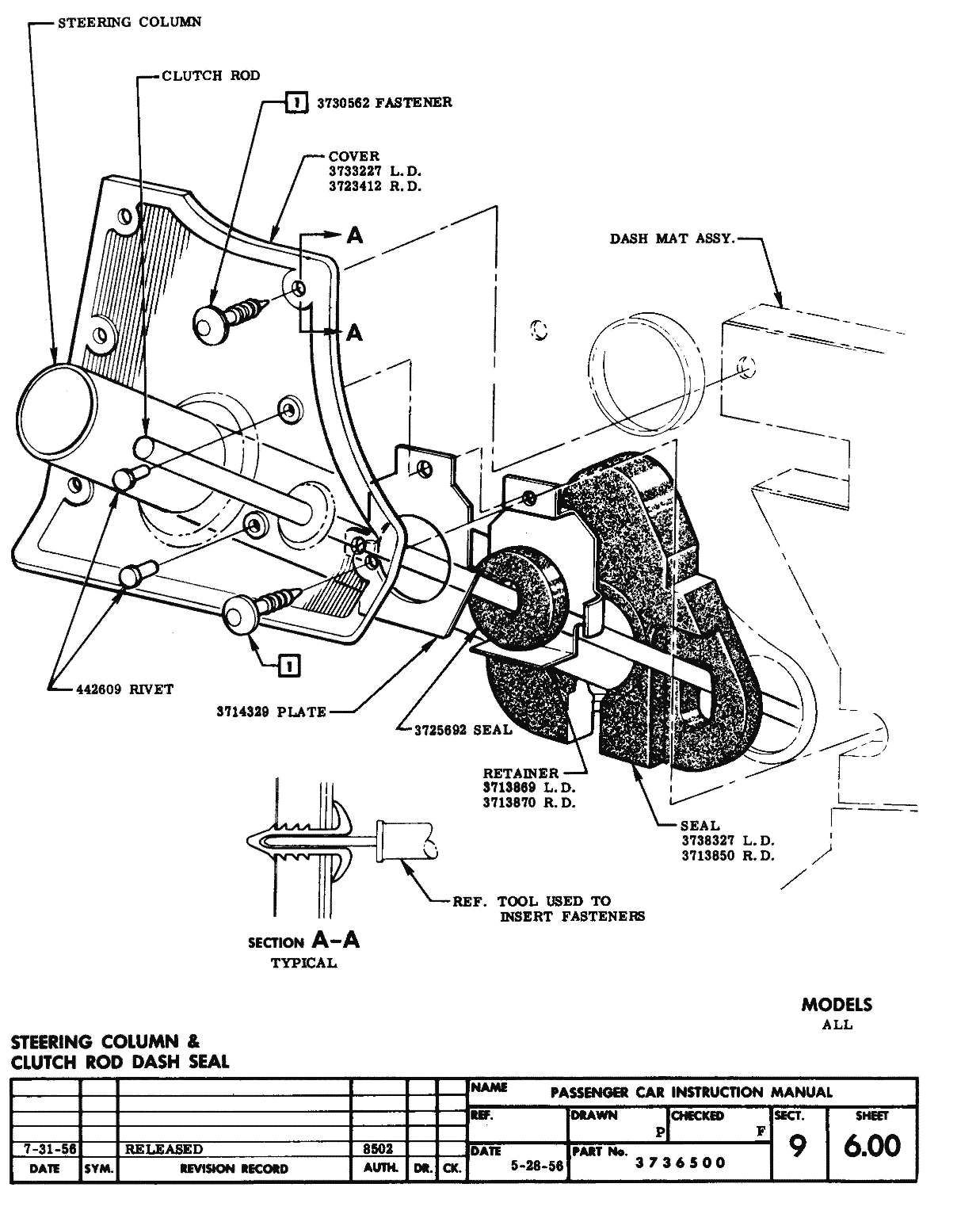
Steering Column & Clutch Rod Dash Seal                                                Sheet 6.00

Section 10 – Tire and Wheel Instruction

Tire and Wheel                                                                                              Sheet 1.00

Section 11 – Hood & Fenders Instruction

Front End Sheet Metal Index                                                                       Sheet 1.00

Seals & Protective Coating                                                                        Sheet 2.00

Fender to Fender Skirt & Skirt Filler                                                          Sheet 3.00

Baffle & Shield                                                                                              Sheet 4.00

Fender To Dash                                                                                            Sheet 5.00

Fender Skirt To Dash Leg                                                                           Sheet 6.00

Fender To Side Rail                                                                                     Sheet 7.00

Fender Moulding                                                                                           Sheet 8.00

Fender Tie Bar, Hood Lock Plate & Bumper                                             Sheet 9.00

Hood Panel                                                                                                    Sheet 10.00

Hood Hinge                                                                                                   Sheet 11.00

Hood Lock, Name Plate & Air Scoop                                                         Sheet 12.00

Sheet Metal Checking                                                                                  Sheet 13.00

Sheet Metal Checking                                                                                  Sheet 14.00

Section 12 – Electrical Instruction

Electrical Index                                                                                              Sheet 1.00

Wiring (Right Drive)                                                                                      Sheet 2.00

Instrument Cluster                                                                                         Sheet 3.00

Instrument Cluster Wiring (Right Drive)                                                      Sheet 4.00

Instrument Cluster & Clock Wiring (Left Drive)                                          Sheet 5.00

Instrument Cluster & Clock Wiring (Right Drive)                                       Sheet 6.00

Ignition Lock                                                                                                  Sheet 7.00

Light Switch                                                                                                   Sheet 8.00

Cigarette Lighter (Models 2100-2400)                                                      Sheet 9.00

Clock & Bezel                                                                                                Sheet 10.00

Glove Box Light                                                                                             Sheet 11.00

Stop Lamp Switch                                                                                        Sheet 12.00

Battery, Support & Cables                                                                           Sheet 13.00

Dimmer Switch                                                                                              Sheet 14.00

Resistor, Oil Pressure Switch & Thermo Gauge                                       Sheet 15.00

Starter Motor, Coil & Spark Plug Wiring                                                     Sheet 16.00

Convertible Wiring                                                                                        Sheet 16.01

Generator, Voltage Regulator & Horn Relay                                              Sheet 17.00

Horn                                                                                                                Sheet 18.00

Headlamp                                                                                                      Sheet 19.00

Parking & Signal Lamp                                                                                Sheet 20.00

Tail & Stop Lamp                                                                                          Sheet 21.00

License Plate Lamp                                                                                     Sheet 22.00

Speedometer Shaft                                                                                      Sheet 23.00

Signal Switch                                                                                                 Sheet 24.00

Clip & Grommet Location                                                                            Sheet 25.00

Wiring Diagram (Left Drive)                                                                        Sheet 27.00

Wiring Diagram (Right Drive)                                                                     Sheet 28.00

Wiring Diagram FOA (Left Drive)                                                               Sheet 28.01

Headlamp Adjusting                                                                                     Sheet 29.00

Section 13 – Radiator & Grill Instruction

Radiator & Grill Index                                                                                    Sheet 1.00 

Radiator, Support & Tie Bar                                                                        Sheet 2.00 

Radiator Support to Frame                                                                          Sheet 3.00 

Grille, Center & Outer Spacers                                                                    Sheet 4.00 

Grille Bars                                                                                                       Sheet 5.00 

Section 14 – Bumper & Miscellaneous Instruction

Bumper & Miscellaneous Index                                                                   Sheet 1.00

Filler Panel & Support                                                                                  Sheet 2.00

Front Bumper                                                                                                Sheet 3.00

Rear Bumper                                                                                                 Sheet 4.00

Serial Number Identification Plate                                                              Sheet 5.00

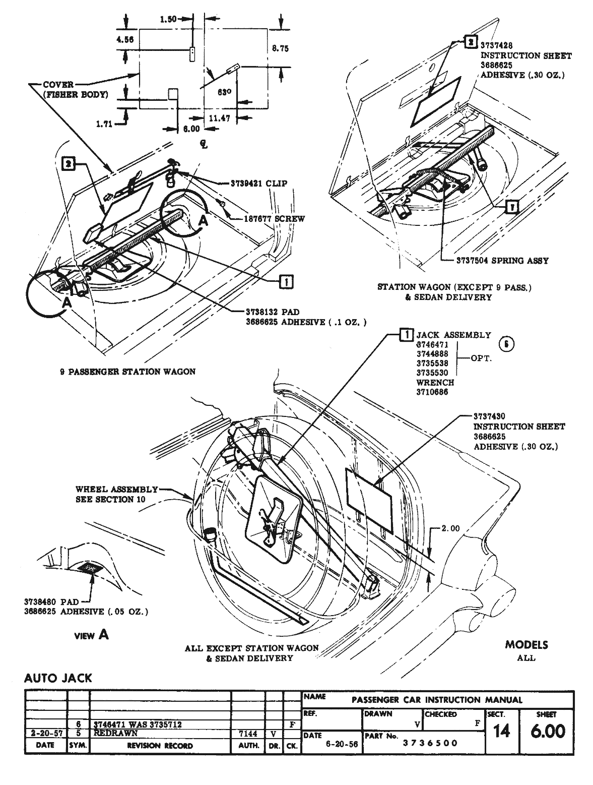
Auto Jack                                                                                                       Sheet 6.00

Lubrication                                                                                                      Sheet 7.00

Lubrication                                                                                                      Sheet 8.00

Lubrication                                                                                                      Sheet 9.00

Cooling System & Wax                                                                               Sheet 10.00

Factory Optional Accessories and Regular Production Options Index (FOA & RPO)

FOA 101 – Heater

Deluxe & Recirculating Heaters Index                                                        Sheet 1.00

Core Housing, Water Valve & Ducts                                                          Sheet 2.00

Core & Blower                                                                                               Sheet 3.00

Controls                                                                                                          Sheet 4.00

FOA110 – Air Conditioning Instruction

Air Conditioning Index                                                                                  Sheet 1.00

Engine & Transmission Cover                                                                    Sheet 1.01

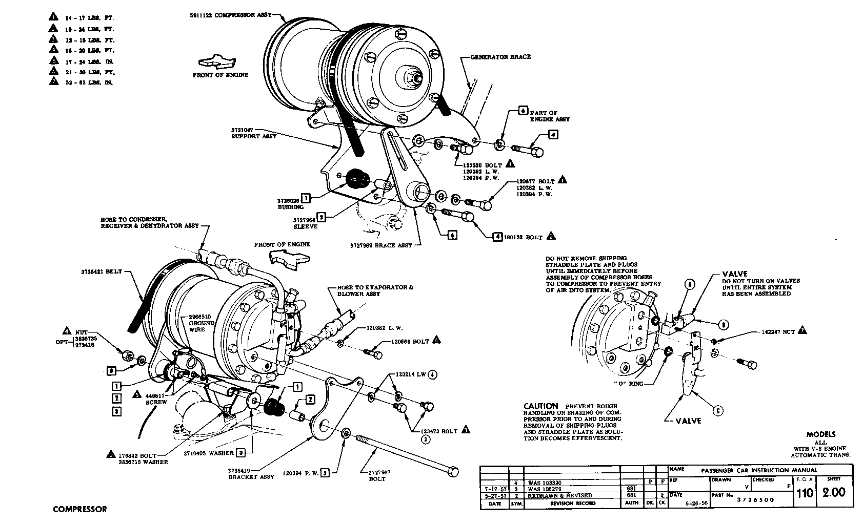
Compressor                                                                                                  Sheet 2.00

Condenser                                                                                                     Sheet 3.00

Seals                                                                                                              Sheet 3.01

Transition, Core & Control Valve                                                                Sheet 4.00

Evaporator & Blower                                                                                    Sheet 5.00

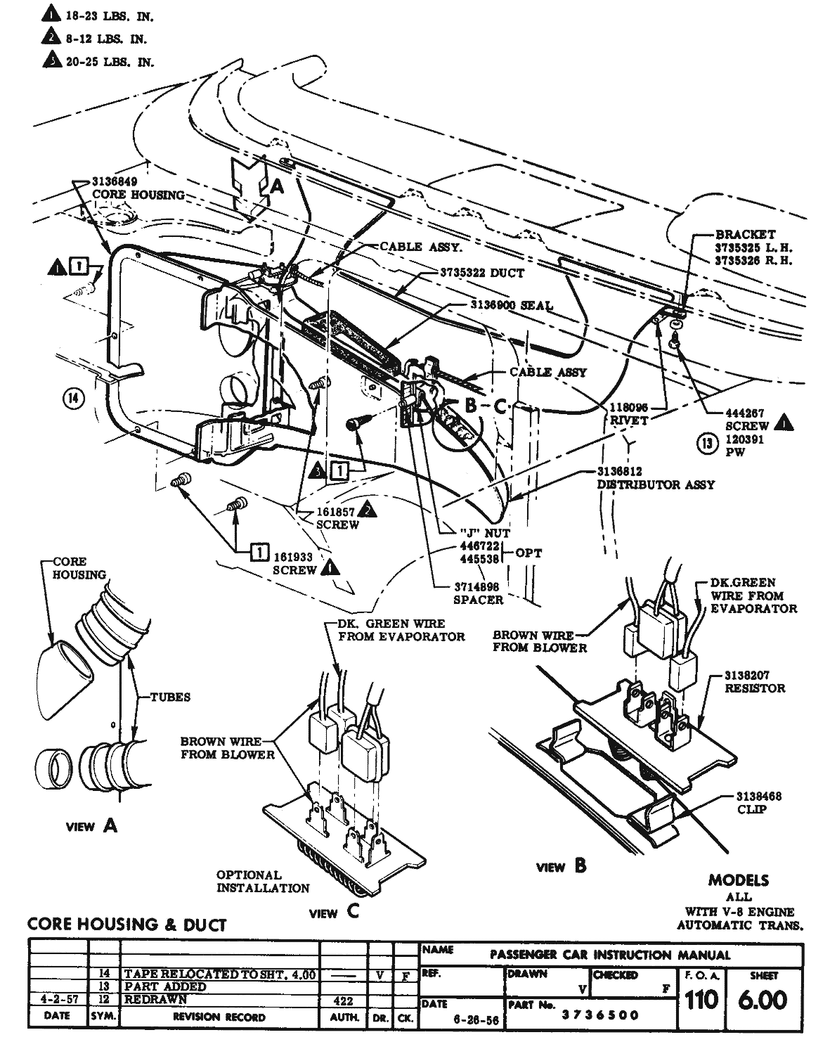
Core Housing & Duct                                                                                   Sheet 6.00

Controls                                                                                                          Sheet 7.00

Junction Block Assembly                                                                             Sheet 7.01

Fast Idle Rod & Tube Assembly                                                                 Sheet 8.00

Inspection & Test Procedure                                                                       Sheet 9.00

RPO 200 – Shock Absorber

Shock Absorber & Shield (Export)                                                            Sheet 1.00

RPO 216 – Air Cleaner

Air Cleaner                                                                                                    Sheet 1.00

RPO 221 – V8 Engine

V8 Engine Index                                                                                            Sheet 1.00

Radiator                                                                                                         Sheet 2.00

Generator, Oil Filter, Pulley & Fan Belt                                                       Sheet 3.00

Air Cleaner                                                                                                    Sheet 4.00

Exhaust System                                                                                            Sheet 5.00

Oil Level Gauge                                                                                            Sheet 6.00

Filter Cavity                                                                                                   Sheet 7.00

Carburetor & Fuel Pump                                                                              Sheet 9.00

Fuel, Spark & Choke Line                                                                           Sheet 10.00

Fuel & Brake Line                                                                                         Sheet 11.00

Accelerator Control (Left Drive)                                                                  Sheet 12.00

Accelerator Control (Right Drive)                                                                Sheet 13.00

Starting Motor                                                                                                Sheet 14.00

Clutch Housing Bracket                                                                                Sheet 14.01

Distributor, Coil & Spark Plug Wire                                                            Sheet 15.00

Wiring                                                                                                             Sheet 16.00

Hood, Name Plate & Ornament                                                                   Sheet 17.00

Rear Ornament & Name Plate                                                                     Sheet 18.00

Carburetor to Transmission Linkage (Automatic)                                      Sheet 19.00

Carburetor to Transmission Linkage Adjustment (Automatic)                  Sheet 20.00

RPO 237 – Oil Filter

Oil Filter (6 Cyl)                                                                                             Sheet 1.00

Oil Filter (V8)                                                                                                  Sheet 3.00

RPO 241 – Governor

Governor (All Left Drive – 6 Cyl Only)                                                          Sheet 1.00

RPO 263 – Auxiliary Seat

Auxiliary Seat (Sedan Delivery)                                                                  Sheet 1.00

 

RPO 302/313 – Automatic Transmission

Automatic Transmission Index                                                                    Sheet 1.00

Engine Rear Mounting                                                                                  Sheet 2.00

Transmission To Engine                                                                              Sheet 3.00

Transmission To Engine                                                                              Sheet 4.00

Accelerator Controls                                                                                     Sheet 5.00

Accelerator Controls Adjustment                                                                 Sheet 6.00

Transmission Controls & Adjustment                                                          Sheet 7.00

Transmission Controls & Adlustment                                                          Sheet 7.01

Transmission Control                                                                                    Sheet 9.00

Oil Cooler, Vacuum & Filler                                                                         Sheet 10.00

Transmission Control                                                                                   Sheet 11.00

RPO 315 – Transmission Overdrive

Transmission Overdrive (All)                                                                        Sheet 1.00

Transmission Overdrive (V8)                                                                       Sheet 2.00

Control                                                                                                             Sheet 3.00

Kickdown Switch (6 cyl)                                                                               Sheet 4.00

Kickdown Switch (V8)                                                                                  Sheet 5.00

RPO 320 – Electric Windshield Wiper

Electric Windshield Wiper                                                                           Sheet 1.00

RPO 324 – Hydraulic Steering

Hydraulic Steering Index                                                                              Sheet 1.00

Hose Shield                                                                                                   Sheet 2.00

Bleeding Instructions                                                                                     Sheet 3.00

Generator                                                                                                       Sheet 4.00

Hose                                                                                                               Sheet 5.00

Linkage                                                                                                          Sheet 6.00

RPO 325 – Heavy Duty Generator

Heavy Duty Generator (6 Cyl only)                                                              Sheet 1.00

RPO 330 – Taxi Cab Equipment

Taxi Cab Equipment                                                                                    Sheet 1.00

RPO 397 – Seat Electrical Control

Seat Electrical Control                                                                                  Sheet 1.00

RPO 410 – Single & Dual Four Barrel Carburetor

Single & Dual Four Barrel Carburetor Index                                             Sheet 1.00

Cabruretor , Air Cleaner & Linkage                                                           Sheet 2.00

Cabruretor , Air Cleaner & Linkage                                                           Sheet 3.00

Carburetor Linkage Adjustment                                                                  Sheet 4.00

Fuel Pipes, Electrical & Radiator                                                               Sheet 5.00

Exhaust                                                                                                          Sheet 6.00

Fuel & Brake Line                                                                                         Sheet 7.00

RPO 412 – Vacuum Power Brake

Vacuum power Brake index                                                                        Sheet 1.00

Bracket Mounting to Dash                                                                           Sheet 2.00

Brake Pedal & Cylinder                                                                                Sheet 3.00

Brake Line, Hose & Vacuum Tank                                                             Sheet 4.00

Brake Line, Hoses & Cylinder Assembly                                                    Sheet 5.00

RPO 417 – Engine Positive Ventilation

Engine Positive Ventilation                                                                          Sheet 1.00

 RPO 426 – Window Electrical Control

Window Electrical Control                                                                             Sheet 1.00

RPO 472 – Gasoline Tank – Twenty Gallon

Gasoline Tank – Twenty Gallon                                                                    Sheet 1.00

RPO 578 – Fuel Injection

Fuel Injection Index                                                                                        Sheet 1.00 

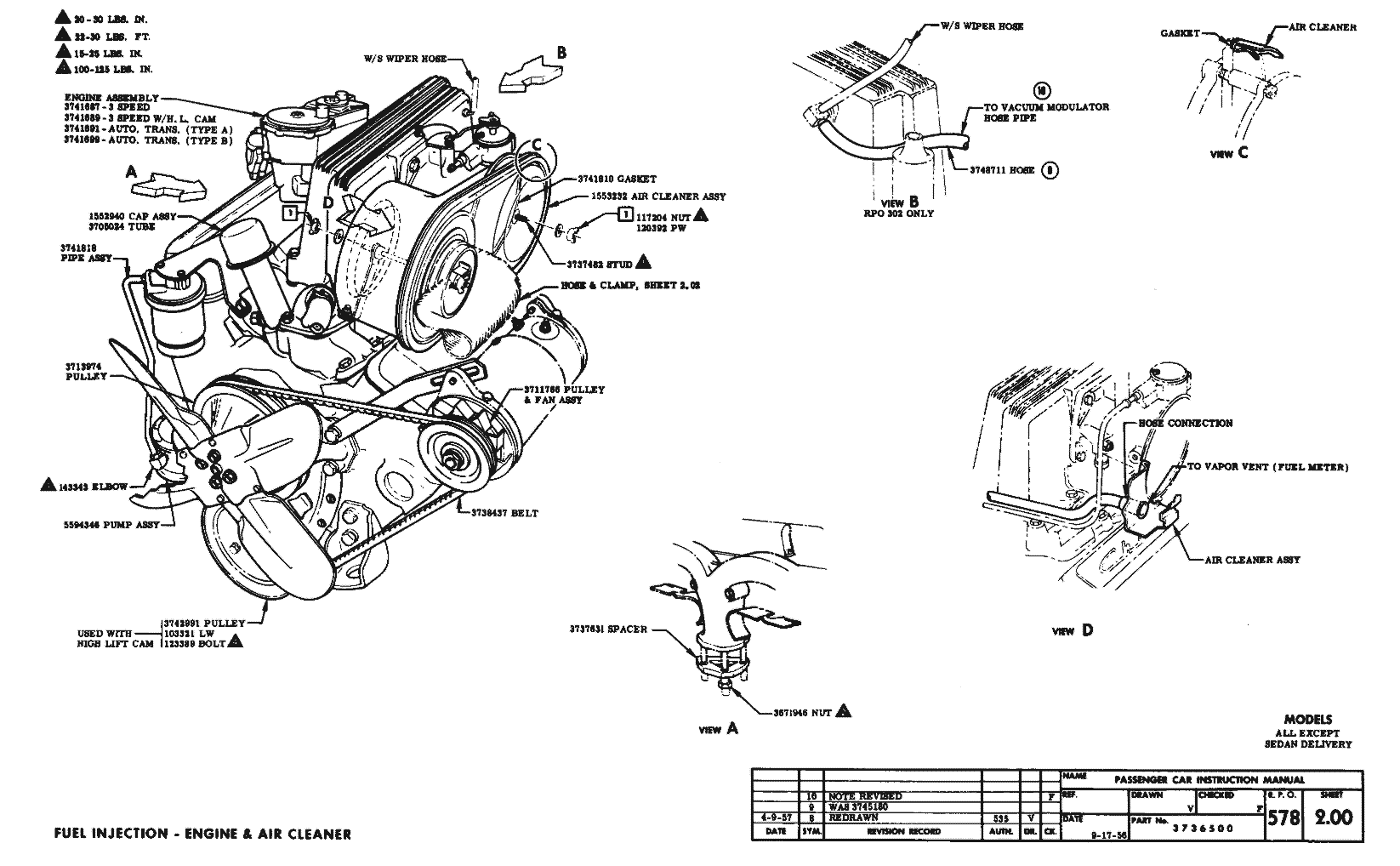
Fuel Injection – Engine & Air Cleaner                                                         Sheet 2.00 

Fuel Injection – Name Plate & Emblem                                                      Sheet 2.01 

Fuel Injection – Air Inlet                                                                                 Sheet 2.02 

Fuel Injection -- Linkage                                                                               Sheet 3.00 

Fuel Injection – Electrical & Radiator                                                          Sheet 4.00 

Fuel Injection – Windshield Wiper                                                               Sheet 5.00 

Fuel Injection – Linkage Adjustment                                                           Sheet 6.00 

Fuel Injection -- Exhaust                                                                               Sheet 7.00 

Fuel Injection – Fuel & Brake Line                                                              Sheet 8.00 

RPO 675 – Rear Axle – Limited Slip

Rear Axle – Limited Slip                                                                              Sheet 1.00 

LPO 1001 – Generator and Rectifier Unit

Generator & Rectifier Unit                                                                            Sheet 1.00 

LPO 1002 – Radio Control Cable Conduit

Radio Control Cable Conduit                                                                      Sheet 1.00 

LPO 1003 – Ammeter Unit

Ammeter Unit                                                                                                Sheet 1.00 

Ammeter Unit – Door Open Warning Lamp Wiring                                  Sheet 2.00 

LPO 1025 – Stabilizer Bar

Stabilizer Bar                                                                                                 Sheet 1.00 



Return to Technical Help Page


Pixel Twister Web Design